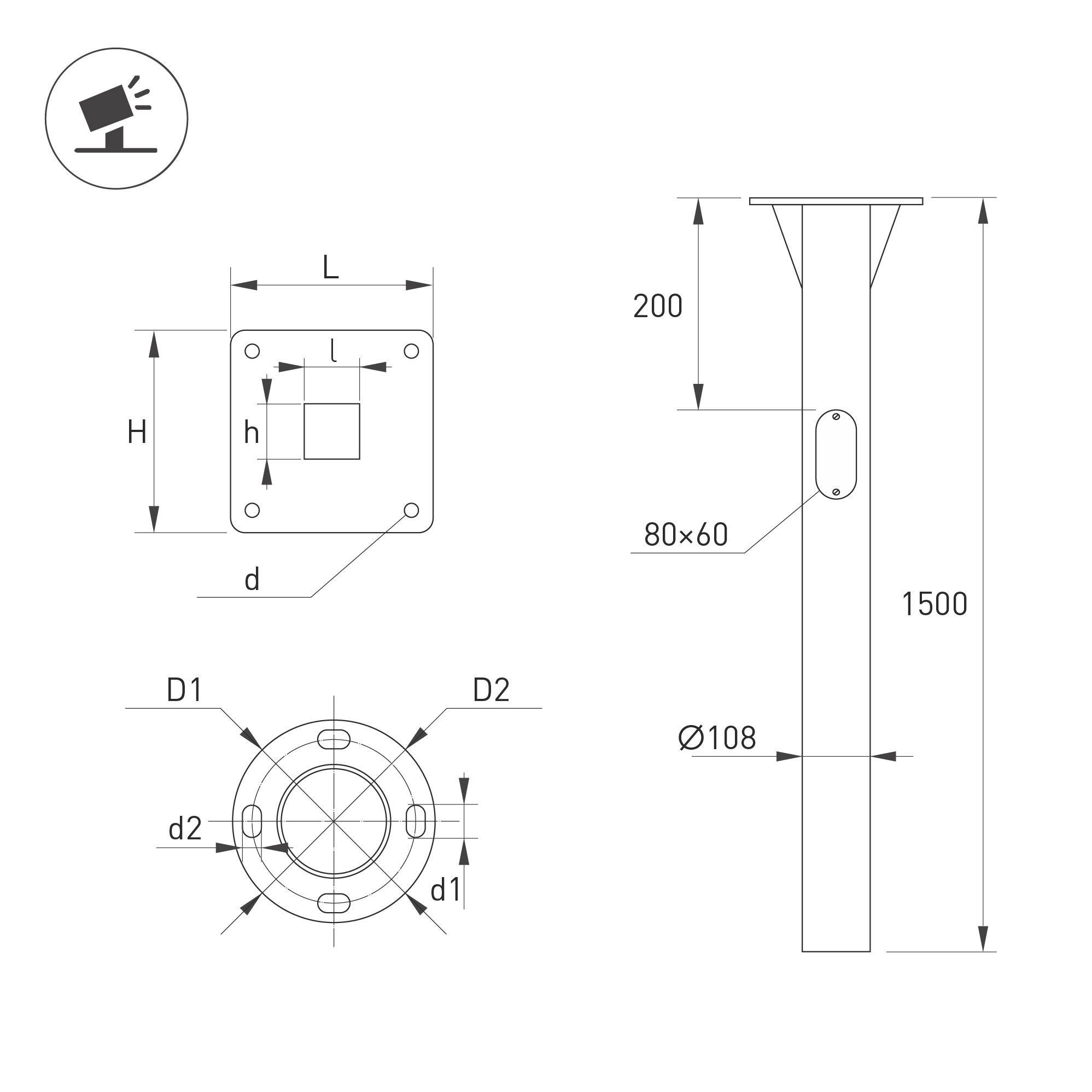
Закладная деталь OXOR-EP1-D108-L1500 (BK) (Arlight, Сталь) 051606 в Ростове-на-Дону
Закладная деталь фундамента цилиндрического типа с ответным фланцем для монтажа опоры уличного освещения. Материал ЗДФ - сталь. Поверхность изделия защищена двухслойным полимерным покрытием, состоящим из цинкосодержащего грунта и битума. Предусмотрено отверстие для подземного подвода питающего кабеля.
Закладная деталь фундамента EP1 Ø108 мм, высота 1500 мм. Толщина стенки - 3-3,5 мм. Материал ЗДФ - сталь. Покрытие грунт/битум.
Предусмотрено отверстие для подвода питающего кабеля 80х60 мм.
051606 Arlight Закладная деталь для опоры освещения Вкапываемый Серый графит в Ростове-на-Дону
Вы можете заказать Закладная деталь для опоры освещения Arlight с доставкой или самовывозом в Ростове-на-Дону
просто достаточно позвонить менеджеру и сообщить артикул товара: 051606 или оформить заказ на сайте Arlight Shop Ростов-на-Дону
Характеристики
|
Объем м3
|
0.0486 |
|
Гарантия м.
|
60 |
|
Материал корпуса
|
Сталь |
|
Класс пылевлагозащиты
|
IP65 |
|
Способ монтажа
|
Вкапываемый |
|
Назначение
|
Не силовая |
|
Цвет покрытия
|
Серый графит |
|
Тип товара
|
Закладная деталь для опоры освещения |
|
Покрытие поверхности
|
Пропитанный |
|
Диаметр
|
108 мм |
|
Высота
|
1500 мм |


